25,000 unique items in stock Consulting partner Thorough product knowledge
Go to homepage

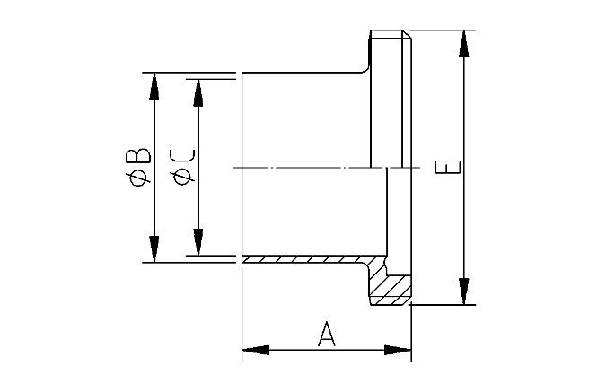
DIN11864 Welding male parts

Applying the Coupling DIN11864-1 and 3
Consistent with the DIN 11866 and the 11865, the DIN 11864 includes all technical specifications about the different connections. Besides the two kind of seals (A and B), the most common form is the A seal, this is also the SKS standard. The less used B seal is also less available. Both kinds consist three types of connections.

Screw connection Type 1 : connection by nut

Flange connection Type 2 : connection by nuts and bolts

Clamp connection Type 3 : Connection by clamp

The sealing principle is the same, you can choose within this norm for the most suitable way of connecting an application. For all kind of coupling you can also choose for a certain material finishing or kind of materials and quality. According the norm, there is also the possibility to choose for 1.4404 or 1.4435 materials. The last one can be delivered with a low Ferrite content. A coupling DIN11864 always has long welding ends (orbital weld able). The common short version is officially called the DIN 11853 and is meant for the food industry (see also the brochure DIN 11850). SKS compiled its standard package based on the most common versions (material/external surface finishing).

H3 standard W.St. 1.4404, optional 1.4435 is deliverable.

H4 standard W.St. 1.4404, optional 1.4435 is deliverable.

HE5 standard W.St. 1.4435.

Versions:
Version A (versions with O-gasket)

Type 1: Screw connection consisting of liner, male thread, seal and nut. Available in the size ranges A, B and C.

Type 2: Flange connection consisting of flange with collar, flange with chest, seals and bolt and nuts kit. Available in the size ranges A, B en C.

Type 3: Clamp connection consisting of ferrule with collar, ferrule with chest, seal and clamp mounting materials. Available in size ranges.

A, B en C

Material table: Stainless steel according EN DIN 10088

Seal materials are: EPDM, HNBR, FKM and FFKM.

According FDA §177.2600

Size table and tolerances: According DIN 11864 and ISO 2768

The same size ranges as in the tube and weld fitting range: three size ranges, Series A, B and C

A series: concerns the mm dimensions according to DIN 11850 Reihe 2.
B Series: Concerns the ISO dimensions, in the market also called the ISO 1127.
C Series: Concerns the Inch dimensions and are exactly the same as the dimensions according ASME BPE A270
Pressure application (up to 140°C):

Size    Screw coupling    Flange connection    Clamp connection
DN10 - DN40    Max. 40 bar    Max. 25 bar    Max. 40 bar
DN50 - DN100    Max. 25 bar    Max. 16 bar    Max. 25 bar
DN125 - DN150    Max. 16 bar    Max. 10 bar    Max. 16 bar
Version:
The union parts are cleaned, free of oil and grease, dry and provided of PE end caps. Packed in a sealed plastic sleeve. According DIN 11864

Surface finishing Ra

Internal surface finishing mechanical polished or pulled

H2o Ra max. 0,8 / 1,6 μm

H30 Ra max. 0,8 / 0,8 μm

H4o Ra max. 0,4 / 0,4 μm

Internal surface finishing mechanical polished or electrolytic polished

HE4o Ra max. 0,4 / 0,4 μm

HE5o Ra max. 0,25 / 0,25 μm

Certificates: 3.1 certificate according EN 10204

Eventually the 2.1 or 2.2 declarations are possible to deliver for the Ra value or the composition of the stainless steel.

Filter
Articlenr. Description Dimensions Stock
16231004
Male part 11864-1 H3 1" 1.4435
Welding male part 1" (25,40 x 1,65) Thread Rd52x1/6" 1.4435 (316L) DIN11864-1 serie C Internal surface Ra 0,8 µm (H3)
1" (ø 25,4 mm)
16231010
Male part 11864-1 H3 2" 1.4435
Welding male part 2" (50,80 x 1,65) Thread Rd78x1/6" 1.4435 (316L) DIN11864-1 serie C Internal surface Ra 0,8 µm (H3)
2" (ø 50,8 mm)
16231012
Male part 11864-1 H3 2,5" 1.4435
Welding male part 2,5" (63,50 x 1,65) Thread Rd95x1/6" 1.4435 (316L) DIN11864-1 serie C Internal surface Ra 0,8 µm (H3)
2,5" (ø 63,5 mm)
16231018
Male part 11864-1 H3 4" 1.4435
Male part 4" (101,60 x 2,10) 1.4435 (316L) DIN11864-1 Reihe-C Internal surface Ra ≤ 0,8 µm (H3)
4" (ø 101,6 mm)
16231205
Male part 11864 H3 DN25/33,7 1.4435
Male part DN25 (33,70 x 2,00) 1.4435 (316L) DIN11864-1 Reihe-B Internal surface Ra ≤ 0,8 µm (H3)
DN25 (ø 33,7 mm)
16231211
Male part 11864 H3 DN50/60,3 1.4435
Male part DIN11864-A-1 Reihe B H3 DN50 (60.3) 1.4435 (316L)
DN50 (ø 60,3 mm)
16231999
Male part 11864-1 H3 1/2" 1.4435
Male part 0,5" (12,70 x 1,65) 1.4435 (316L) DIN11864-1 Reihe-C Internal surface Ra ≤ 0,8 µm (H3)
1/2" (ø 12,7 mm)
16235011
Male part 11864-1 H3 DN50 1.4435
Welding male part DN50 (53,00 x 1,50) Thread Rd78x1/6" 1.4435 (316L) DIN11864-1 serie A Internal surface Ra 0,8 µm (H3)
DN50 (ø 53 mm)
16235013
Male part 11864-1 H3 DN65 1.4435
Welding male part DN65 (70,00 x 2,00) Thread Rd95x1/6" 1.4435 (316L) DIN11864-1 serie A Internal surface Ra 0,8 µm (H3)
DN65 (ø 70 mm)
16235017
Male part 11864-1 H3 NW100 1.4435
Welding male part DN100 (104,00 x 2,00) 1.4435 (316L) DIN11864-1 serie A Internal surface Ra 0,8 µm (H3)
DN65 (ø 70 mm)
16237999
Male part 11864-1 H3 1/2" 316L
Welding male part 0,5" (12,70 x 1,65) Thread Rd28x1/8" 1.4404 (316L) DIN11864-1 serie C Internal surface Ra 0,8 µm (H3)
1/2" (ø 12,7 mm)
16238000
Male part 11864-1 H3 3/4" 316L
Welding male part 0,75" (19,05 x 1,65) Thread Rd34x1/8" 1.4404 (316L) DIN11864-1 serie C Internal surface Ra 0,8 µm (H3)
3/4" (ø 19,05 mm)